178808

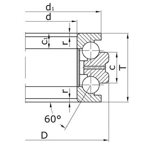
Подшипник 178808, относящийся к категории "Подшипники шариковые упорные", используется в различных механизмах и промышленном оборудовании, обладает повышенной прочностью и длительным сроком эксплуатации. Внутренний диаметр изделия составляет 40 мм, внешний диаметр – 68 мм. Детали с массой 3.9 кг и высотой 36 мм устанавливаются на вал и подходят для применения условиях высоких нагрузок. Более подробную информацию о 178808, а также возможных вариантах подбора аналогов Вы сможете получить в профессиональной службе поддержки, оставив заявку на интересующее изделие.
Внутренний диаметр (d) 40.0
Внешний диаметр (D) 68.0
Ширина B (H) 36.0
Вес 3900.0
Количество дорожек качения 2
Уплотнение Нет
Масса 3,9 Кг
Закажите прямо сейчас После оформления мы вышлем вам на почту коммерческое предложение
Почта*
Телефон
Нажимая на кнопку, вы соглашаетесь на обработку персональных данных