477752ХМ

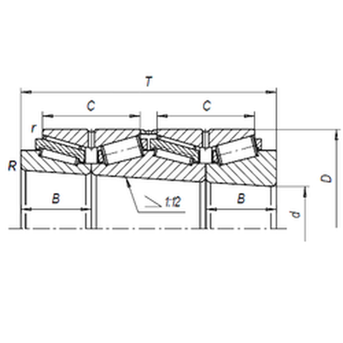
Подшипник 477752ХМ, относящийся к категории "Подшипники роликовые радиально-упорные", используется в различных механизмах и промышленном оборудовании, обладает повышенной прочностью и длительным сроком эксплуатации. Внутренний диаметр изделия составляет 260 мм, внешний диаметр – 440 мм. Детали с массой 195 кг и высотой 87 мм устанавливаются на вал и подходят для применения условиях высоких нагрузок. Более подробную информацию о 477752ХМ, а также возможных вариантах подбора аналогов Вы сможете получить в профессиональной службе поддержки, оставив заявку на интересующее изделие.
Внутренний диаметр (d) 260.0
Внешний диаметр (D) 440.0
Ширина B (H) 87.0
Вес 195000.0
Количество дорожек качения 4
Уплотнение SPZ-GROUP
Масса 195 Кг
Радиус внутренней фаски (R) 3,7 мм.
Радиус наружней фаски (r) 1,3 мм.
Частота вращения предельная 500 об/мин
Закажите прямо сейчас После оформления мы вышлем вам на почту коммерческое предложение
Почта*
Телефон
Нажимая на кнопку, вы соглашаетесь на обработку персональных данных